Condensador de carcasa y tubos
Sistemas de aire acondicionado de montaje horizontal para armarios, disipa el calor y evita el sobrecalentamiento de los componentesEl condensador tubular, tiene un diseño compacto y resistente a la corrosión, ofrece un intercambio de calor eficiente y una gran capacidad de presión. Protege y mejora el rendimiento de sistemas de refrigeración de mediana y gran escala, incluyendo aire acondicionado central, cámaras frigoríficas y refrigeración industrial, asegurando operación confiable a largo plazo.
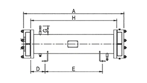
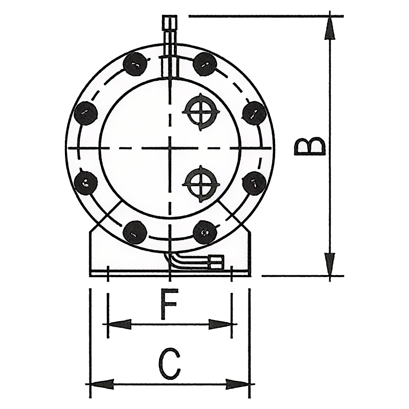
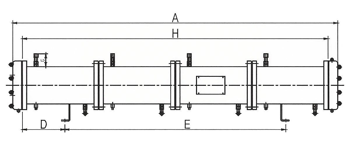
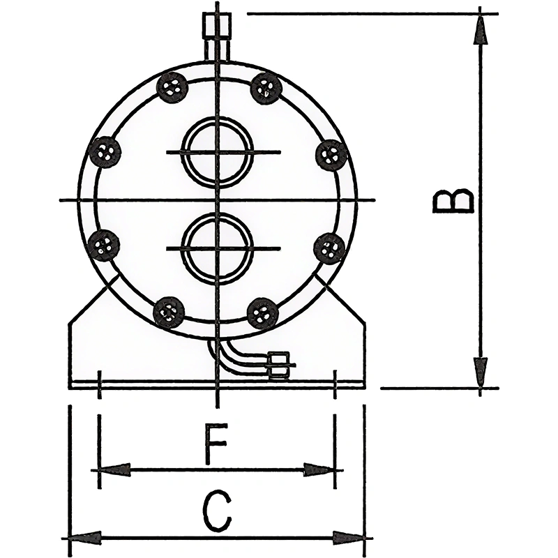
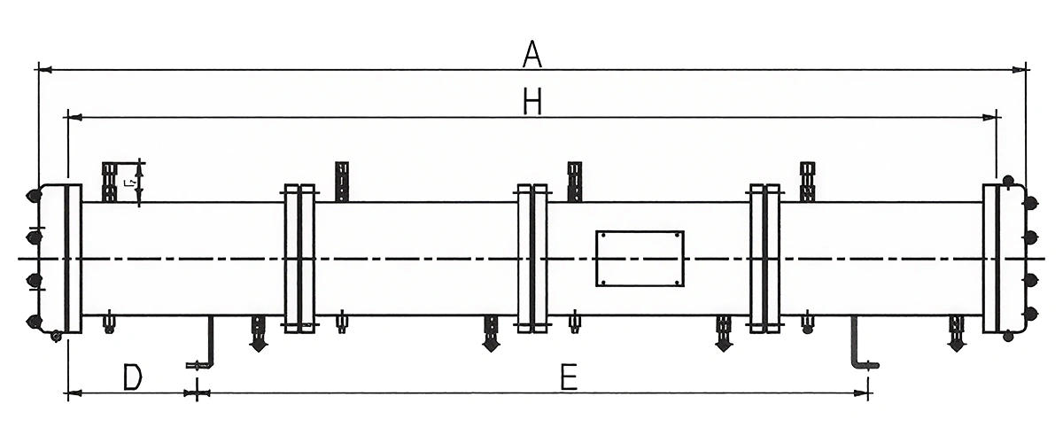
| Modelo de intercambiador de calor | Potencia del compresor | Conexión de tubería de agua | Dimensiones (mm) | |||||||
| A | B | C | D | E | F | G | H | |||
|
|
5HP | DN25 | 680 | 295 | 180 | 100 | 360 | 140 | 70 | 560 |
|
|
6HP | DN25 | 680 | 295 | 180 | 100 | 360 | 140 | 70 | 560 |
|
|
7HP | DN25 | 840 | 295 | 180 | 120 | 480 | 140 | 70 | 720 |
|
|
8HP | DN40 | 840 | 295 | 180 | 120 | 480 | 140 | 70 | 720 |
|
|
10HP | DN40 | 900 | 310 | 200 | 140 | 500 | 160 | 70 | 780 |
|
|
12HP | DN40 | 900 | 310 | 200 | 140 | 500 | 160 | 70 | 780 |
|
|
15HP | DN40 | 1480 | 320 | 250 | 180 | 1000 | 200 | 70 | 1865 |
|
|
20HP | DN50 | 1480 | 320 | 250 | 180 | 1000 | 200 | 70 | 1365 |
|
|
25HP | DN50 | 1480 | 320 | 250 | 180 | 1000 | 200 | 70 | 1865 |
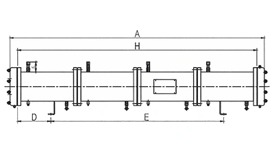
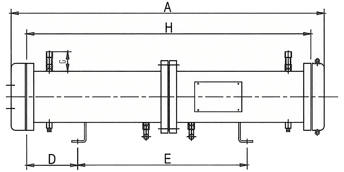
| Modelo de intercambiador de calor | Potencia del compresor | Conexión de tubería de agua | Dimensiones (mm) | |||||||
| A | B | C | D | E | F | G | H | |||
|
|
4HP*2 | DN40 | 1107 | 320 | 250 | 180 | 600 | 200 | 70 | 1005 |
|
|
5HP*2 | DN40 | 1107 | 320 | 250 | 180 | 600 | 200 | 70 | 1005 |
|
|
6HP*2 | DN40 | 1107 | 320 | 250 | 180 | 600 | 200 | 70 | 1005 |
|
|
7.5HP*2 | DN40 | 1480 | 320 | 250 | 180 | 1000 | 200 | 70 | 1365 |
|
|
10HP*2 | DN50 | 1480 | 320 | 250 | 180 | 1000 | 200 | 70 | 1365 |
|
|
12HP*2 | DN50 | 1480 | 320 | 250 | 180 | 1000 | 200 | 70 | 1365 |
|
|
15HP*2 | DN50 | 1480 | 320 | 250 | 180 | 1000 | 200 | 70 | 1365 |
|
|
20HP*2 | DN50 | 1480 | 320 | 250 | 180 | 1000 | 200 | 70 | 1365 |
|
|
25HP*2 | DN65 | 1480 | 320 | 250 | 180 | 1000 | 200 | 70 | 1365 |
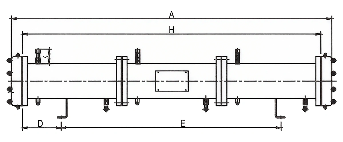
| Modelo de intercambiador de calor | Potencia del compresor | Conexión de tubería de agua | Dimensiones (mm) | |||||||
| A | B | C | D | E | F | G | H | |||
|
|
5HP*3 | DN50 | 1648 | 350 | 350 | 200 | 1130 | 300 | 70 | 1534 |
|
|
10HP*3 | DN50 | 2014 | 350 | 350 | 303 | 1300 | 300 | 70 | 1900 |
|
|
12HP*3 | DN65 | 2014 | 350 | 350 | 303 | 1300 | 300 | 70 | 1890 |
|
|
20HP*3 | DN80 | 2014 | 410 | 350 | 303 | 1300 | 300 | 70 | 1900 |
|
|
25HP*3 | DN80 | 2014 | 410 | 350 | 303 | 1300 | 300 | 70 | 1890 |
| Modelo de intercambiador de calor | Potencia del compresor | Conexión de tubería de agua | Dimensiones (mm) | |||||||
| A | B | C | D | E | F | G | H | |||
|
|
10HP*4 | DN65 | 1913 | 388 | 350 | 250 | 1300 | 300 | 70 | 1800 |
|
|
12HP*4 | DN65 | 1913 | 388 | 350 | 250 | 1300 | 300 | 70 | 1800 |
|
|
15HP*4 | DN65 | 1913 | 388 | 350 | 250 | 1300 | 300 | 70 | 1800 |
|
|
20HP*4 | DN80 | 1913 | 388 | 350 | 250 | 1300 | 300 | 70 | 1800 |
|
|
25HP*4 | DN80 | 2650 | 410 | 350 | 303 | 1800 | 300 | 70 | 2540 |
| Modelo de intercambiador de calor | Potencia del compresor | Conexión de tubería de agua | Dimensiones (mm) | |||||||
| A | B | C | D | E | F | G | H | |||
|
|
12HP*5 | DN65 | 2364 | 388 | 350 | 260 | 1750 | 300 | 70 | 2250 |
|
|
25HP*5 | DN100 | 3220 | 575 | 600 | 325 | 2220 | 500 | 90 | 2870 |
- Ahorro energético
- Tecnología innovadora
- Seguridad integral
- Fabricación de precisión
-
25% Eficiencia térmica mejorada hasta en un 25 % gracias al uso de tubos de cobre con rosca interna -
20% Las aletas onduladas permiten una mejora aproximada del 20 % en la eficiencia de transferencia de calor -
6% La incorporación de una válvula de expansión electrónica con regulación PID optimiza el consumo energético, reduciéndolo en un 6 % -
20% Mediante la optimización del suministro de refrigerante, la uniformidad de distribución aumenta aproximadamente un 20% -
10% Un sistema de flujo de aire optimizado permite aumentar la circulación de aire cerca de un 10% -
20% Gracias a la regulación automática del caudal de aire, el consumo de energía del ventilador disminuye cerca de un 20 %
-
Evaporador de acero inoxidable -
Condensador en forma de V -
Depósito cilíndrico de agua -
Ventilador de bajo ruido -
Controlador con pantalla táctil -
Sistema de control avanzado
-
Protección contra sobrecalentamiento -
Protección de corriente -
Autodiagnóstico -
Anticongelante inteligente -
Alarma de caudal de agua -
Alarma de nivel de agua -
Alarma de presión -
Temporizador encendido/apagado
-
Conformado de chapa metálica de precisión -
Anillos guía de flujo estampados -
Sistema de plegado robótico (Bystronic, Suiza) -
Tecnología de soldadura láser -
Corte automatizado de material aislante -
Soldadura de juntas automatizada
Más de 20 años de experiencia en el sector nos respaldan, KANSA integra diseño y fabricación interna para ofrecer enfriadores industriales y equipos de control de temperatura de alto rendimiento, con una estabilidad térmica excepcional de ±0.05 °C. Tenemos la certificación CE, ISO 9001:2016, ISO 45001, entre otras normas internacionales y brindamos servicios a una amplia base global de más de 70.000 clientes.













